玻璃容器

首页 > 产品 > 化工装置与设备 > 玻璃容器 >

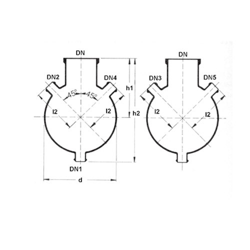
球形釜体, 六开口, 带放料口,50~200L

型号:

订货号:

316

具体参数会根据产品的升级做相应的调整,如有更改不另做通知,参数以实物为准

询价

产品列表

产品描述

 

容积

DN

DN1

DN2

I2

DN3

DN4

DN5

d

h1

h2

订货号

L

mm

mm

50

DN200

DN25

DN100

320

DN100

DN25

DN50

490

400

700

QRQ-JS6-50

100

DN200

DN25

DN100

391

DN100

DN25

DN50

610

450

825

QRQ-JS6-100

200

DN300

DN25

DN150

508

DN150

DN25

DN50

750

550

1000

QRQ-JS6-200

在线交流 在线交流微信二维码
  • 联系我们

  • 博美玻璃( 北京 )有限公司
  • 地址:北京市朝阳区酒仙桥东路1号院8号楼4层A厅428室
  • Tel:400-902-1628 / 157 3266 8390
  • info@bomex.cn
  • www.bomex.cn