蒸馏塔组件

首页 > 产品 > 化工装置与设备 > 蒸馏塔组件 >

夹套塔节

型号:

订货号:

371

具体参数会根据产品的升级做相应的调整,如有更改不另做通知,参数以实物为准

询价

产品列表

产品描述

 

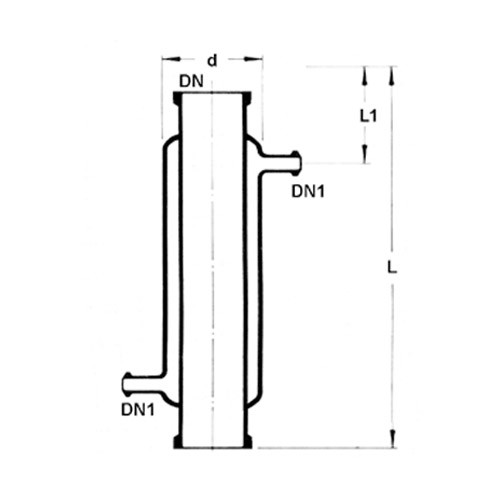
用于填充种种填料,填料固定板便于安装和固定。以下为标准长度,带夹套,也可以根据特殊需求定制。

 

DN

d

L

L1

高温度

压力要求

夹套压力

订货号

 

mm

mm

mm

bar

bar

 

Ø180

Ø230

1000

150

150

1.0

0.5

QTA-JTTJ-180/1000

Ø230

Ø270

1000

150

150

1.0

0.5

QTA-JTTJ-230/1000

DN300

Ø368

1000

150

150

1.0

0.5

QTA-JTTJ-300/1000

在线交流 在线交流微信二维码
  • 联系我们

  • 博美玻璃( 北京 )有限公司
  • 地址:北京市朝阳区酒仙桥东路1号院8号楼4层A厅428室
  • Tel:400-902-1628 / 157 3266 8390
  • info@bomex.cn
  • www.bomex.cn