蒸馏塔组件

首页 > 产品 > 化工装置与设备 > 蒸馏塔组件 >

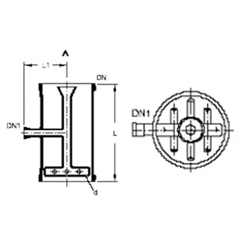
物料分布器

型号:

订货号:

331

具体参数会根据产品的升级做相应的调整,如有更改不另做通知,参数以实物为准

询价

产品列表

产品描述

 

高填充柱需要配套分配器使用,以防止液体沿着柱壁向下流动,分配器安装在密封环境。

 

DN

DN1

L (mm)

L1 (mm)

N×d

订货号

DN150

DN25

400

140

9ר2.5

QTA-FBQ-150/25

Ø180

DN25

400

155

11ר2.5

QTA-FBQ-180/25

Ø230

DN25

400

180

13ר2.5

QTA-FBQ-230/25

DN300

DN25

400

260

17ר2.5

QTA-FBQ-300/25

在线交流 在线交流微信二维码
  • 联系我们

  • 博美玻璃( 北京 )有限公司
  • 地址:北京市朝阳区酒仙桥东路1号院8号楼4层A厅428室
  • Tel:400-902-1628 / 157 3266 8390
  • info@bomex.cn
  • www.bomex.cn