蒸馏塔组件

首页 > 产品 > 化工装置与设备 > 蒸馏塔组件 >

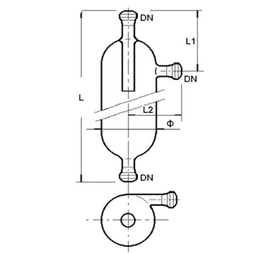
气相分离器,-旋风式

型号:

订货号:

338

具体参数会根据产品的升级做相应的调整,如有更改不另做通知,参数以实物为准

询价

产品列表

产品描述

 

分离器适用于分离气体和蒸汽中的水滴,以及分离气体和蒸汽中的尘埃颗粒。分离度可高达99% ,但这个数值取决于以下参数:
> 介质的水分 / 尘埃含量
> 滴状粒子大小分布
> 滴状光谱 / 粒子光谱

 

Ø(mm)

DN

L (mm)

L1 (mm)

L2 (mm)

订货号

180

DN50

750

250

210

QTA-FLQ-180/750B

180

DN50

1050

250

210

QTA-FLQ-180/1050B

230

DN50

1050

300

240

QTA-FLQ-230/1050B

315

DN50

1050

300

285

QTA-FLQ-300/1050B

在线交流 在线交流微信二维码
  • 联系我们

  • 博美玻璃( 北京 )有限公司
  • 地址:北京市朝阳区酒仙桥东路1号院8号楼4层A厅428室
  • Tel:400-902-1628 / 157 3266 8390
  • info@bomex.cn
  • www.bomex.cn