玻璃阀门

首页 > 产品 > 化工装置与设备 > 玻璃阀门 >

手动调量阀B

型号:

订货号:QFA-TL-15B

340

具体参数会根据产品的升级做相应的调整,如有更改不另做通知,参数以实物为准

询价

产品列表

产品描述


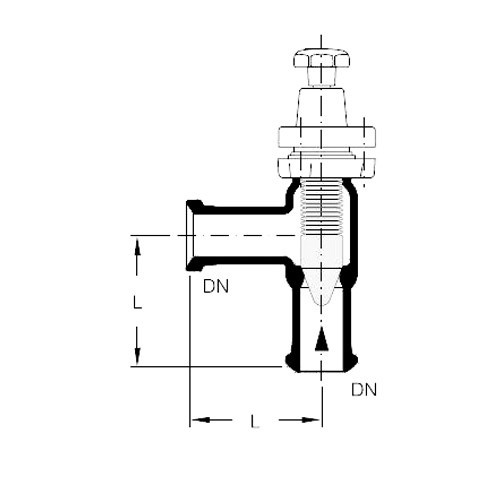
博美玻璃(北京)流量调节阀为免维护设计,可长期使用。与液体接触的部分均由高品质硼硅玻璃3.3和PTFE制成

流量调节阀,类型 B,DN15~DN80

 

DN

L

工作压力

温度范围

订货号

 

mm

bar

 

DN15

75

-1~+3.0

-60~+200

QFA-TL-15B

DN25

100

-1~+3.0

-60~+200

QFA-TL-25B

DN40

150

-1~+0.5

-60~+200

QFA-TL-40B

DN50

150

-1~+0.5

-60~+200

QFA-TL-50B

DN80

200

-1~+0.5

-60~+200

QFA-TL-80B

在线交流 在线交流微信二维码
  • 联系我们

  • 博美玻璃( 北京 )有限公司
  • 地址:北京市朝阳区酒仙桥东路1号院8号楼4层A厅428室
  • Tel:400-902-1628 / 157 3266 8390
  • info@bomex.cn
  • www.bomex.cn